首页
关于拓鑫
新闻中心
产品专区
应用领域
科研开发
营销合作
人力资源
服务中心
English
公司新闻
行业动态
工会动态
视频新闻
玄武岩百科
新闻中心
/公司新闻
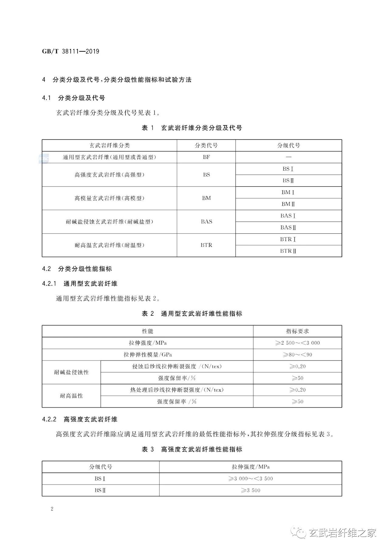
什么是玄武岩纤维?--中华人民共和国国家标准来了!
发布时间:2020-09-21 阅读次数:2567 信息来源:玄武岩纤维之家
国家标准
相关新闻
返回首页
关闭窗口
玄武岩纤维助力建筑行业革新和之路!
2024-06-27
(转发)玄武新材,一汽红旗首创玄武岩纤维复合材料推动产业低碳转型
2024-06-27
转发 玄武岩纤维在桥梁伸缩缝工程中的优异表现!
2024-06-26
转发 玄武岩纤维助力建筑行业革新和之路!
2024-06-25
转载 西部地区鼓励类产业目录公开征求意见 , 多地将玻璃纤维/玄武岩纤维及制品列为新增鼓励类
2024-06-14
www.cd116.com